1. 각변위(위상각차)는 [ angular displacement 角變位 ]
송전선에 있어서, 1차측 유기전압과 2차측 유기전압간에는 결선방법에 따라 위상각차가 발생한다.
각변위란 아래 Y-△ 결선 기준한 그림과 같이 각 전압벡터선도에서 각각의 중성점과 동일기호의 선단을 각각 연결한 두 직선사이의 각도를 말한다.

△ 결선에서 중성점은 각상 유기전압으로 만들어진 삼각점의 중심이다.
유기전압 벡터도를 그릴때 전압벡터의 회전방향은 반시계방향으로 하며 벡터의 크기는 실효치로 한다.
2. 각변위의 영문표기
각변위의 영문표기는 아래와 같이 정하여 운영에 효율화를 도모하고 있다.
1차는 대문자, 2,3차는 소문자로 표기하며 2차,3차측 중성점은 위상차가 없더라도 0(제로)로 표기하고 1차측 중성점 0(제로)는 표기하지 않음
단권변압기는 중성점표기 N 다음에 a 또는 auto를 표기한다.(VNa)
권선간의 각 변위차는 항상 고압측이 기준이 되어 고압측에 대한 저압측과 3차측의 위상각 30도를 시계의 시침을 기준하여 2,3차중성점 영문표기 뒤에 표기한다.
늦은 위상차 30도를 1로 표기하는데 이는 시계의 시침 위치에 의거 30도 지상각일 경우 1(한시위치) 로 표기하고
또한 빠른 위상차 30도 일 경우는 11(열한시위치) 로 표기한다.
벡터도가 반시계방향으로 회전하기 때문에 1시 방향이 지상각이 되고 11시 방향이 진상각이 된다.
△-△ : Dd0 (1,2차 델타결선으로 위상차 제로)
Y- △ : YNd1 (1차 Y결선, 중성점, 델타결선으로 위상차 30도)
△- Y : Dyn1 (1차 델타결선, 2차 y결선, 중성점, 위상차 30도)
Y-Y-△ : YNyn0d1 (1차 Y결선, 중성점,2차 Y결선,중성점, 위상차 제로,3차 델타결선, 위상차 30도)
Y-△-Y : YNd1yno (1차 Y결선, 중성점, 2차 델타결선, 위상차30도, 3차 y결선, 중성점, 위상차 제로....1차기준)
※ 2,3차 위상차 표기는 1차측을 기준하여 표기합니다.
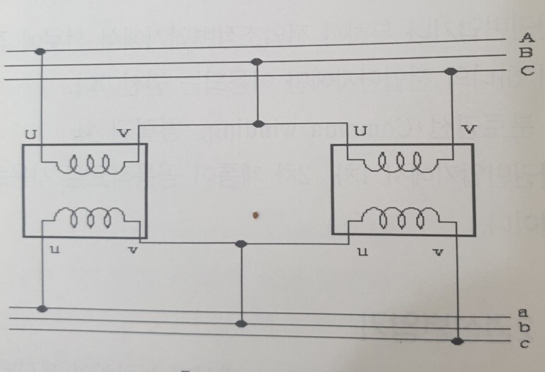
이유는 아래 Y-Y-△ 결선도와 같이 2,3차는 1차에 연결되기 때문입니다.

Y-Y-△ 결선도

YNyn0d1 (1차 Y, 2차 Y, 3차 델타, 위상차 지상 30도) 변압기

Dyn11 (1차 델타, 2차 Y, 위상차 진상30도)
3. 각 결선법의 특징
가. △-△ 결선
○ 장점
- 1상의 권선(변압기)에 이상이 생기더라도 출력은 감소하나 변압기 교체전까지 일시적으로 V결선으로 운전을 계속할 수 있다.
- 제3고조파 여자전류는 각상이 동상인 관계로 △결선내에서 순환하게 되어 외부선로에 3고조파 전압이 나타나지 않는다.
- Y결선 대비 저전압, 대전류 용도에 사용된다.
- Y결선 대비 전압은 1/√3배, 전류는 √3배임
○ 단점
- 중성점을 인출할 수 없어 이상전압 발생의 빈도가 심하고, 특히 아크지락에 의한 이상전압은 Y결선에 비해 매우 크며, 중성점 필요시 별도의 접지변압기가 필요하다.
- 각상의 권수비에 차이가 있으면 상당량의 순환전류가 흘러 동손을 증대시키고 변압기를 가열시키는 바 권수비의 차이는 0.25% 이내로 하여야 한다.
- 같은 선간전압에 대하여 Y결선보다 상전압이 낮아 권선수가 많아지게 되므로 일반적으로 70kV 이하의 무전압탭 변압기에 이용된다.
나. Y-Y 결선
○ 장점
- 1,2차권선에서 중성점을 인출하여 피뢰기를 접속할 수 있으므로 단절연방식을 채택할 수 있어 경제적이다.
- 1상의 권수가 △결선의 1/√3이므로 고전압 권선에 적합하다.
- 부하시 탭 조정을 할 경우 중성점탭 방식을 택할 수 있으므로 변압기를 소형화할 수 있다.
○ 단점
- 변압기 2차측이 접지되어 있으면 선로와 대지간에 제3고조파 전압이 걸리고 선로와 대지사이의 정전용량에 의하여 제3고조파 충전전류가 흘러 통신선에 유도장해를 일으킨다.
- 중성점 비접지로 사용하게 되면 중성점 불안정으로 단상부하를 공급하지 못한다.
다. Y-Y-△ 결선
3차측에 △결선을 설치하여 Y-Y결선의 단점을 해소한다.
이 결선은 전력용 3상 결선에서 가장 많이 사용되는 결선이며, 주로 송배전용에 적용된다.
주요 장점으로
- 제3고조파의 통로로 3차 권선의 △결선이 이용되어 제3고조파에 의한 통신선의 유도장해를 일으키지 않는다.
- 필요한 경우 중성점을 접지하여 사용하여 중성점 전위 이동이 없다.
- 중성점 접지로 단절연을 채택할 수 있다.
- 중성점 탭방식을 채택하므로 변압기의 중량과 크기를 줄일 수 있다.
- △ 3차 권선은 고조파중 가장 큰 3고조파의 전압,전류를 억제하고 영상임피던스를 적게하는데 이러한 목적으로 사용될 경우를 안정권선이라 한다.
안정권선의 용량은 주권선용량의 1/3로 한다.
라. △-Y 결선 , Y-△
이 결선은 잔력설비에서 주로 승압, 강압 변압기로 이용되거나 일부 비접지 선로에서 사용되었으나 비접지 선로가 줄어감에 따라 거의 사용되지 않고 있다.
마. V 결선
단상변압기 3대를 △-△결선으로 운전중 1상의 고장으로 인하여 남은 2대의 변압기로 임시 응급운전을 하는 경우와 공급하는부하가 경부하이거나 장래 부하증가가 예상될 경우 처음 2대로 운전하고 후에 1대를 추가하여 △결선으로 변경하는 경우에 채용된다.

V결선 변압기
- △-△ 결선대비 선로전류가 그대로 권선에 흐르므로 2차측 출력은 △-△결선의 57.7% 이며, 부하역율 1로 가정할 경우 이용율은 86.6%이다
△ 결선의 출력 P△= √3VILCOSØ = 3EIPCOSØ
V 결선의 출력 Pv = √3 VI COSØ = √3EICOSØ
따라서 출력비는
PV / P△= √3EIPCOSØ / 3EIPCOSØ = 57.7
또한 변압기 1대당 이용율은
델타결선 : 3EIPCOSØ / 3대 = 1.000
V 결선 : √3EICOSØ / 2대 = 0.866 임
별헤는밤이었습니다.
'전기이론' 카테고리의 다른 글
| 4단자정수 이론정리 (0) | 2022.08.13 |
|---|---|
| 무효전력(Reactive power)의 정의 (4) | 2022.08.11 |
| 단권변압기 이론 (4) | 2022.08.03 |
| 변압기 임피던스 전압강하란? (0) | 2022.07.15 |
| 히스테리시스 곡선 (3) | 2022.06.30 |